近半世纪长盛不衰的模拟芯片传奇
2025-12-15 08:47:27 EETOP一枚三引脚器件,集成带隙基准、误差放大器与输出晶体管—— 这款经典芯片在近五十年来始终占据行业核心地位。
20 世纪 70 年代末,德州仪器(TI)推出 TL431 时,它并非以革新者姿态问世,而是作为温度补偿型齐纳二极管的更智能替代方案:无需复杂设计,就能以低成本获得精准的 2.5V 基准电压。

但设计师们很快发现,这款小型可调并联稳压器的潜力远不止于此:它成为隔离式开关模式电源(SMPS)的标准误差放大器,是数千种反馈环路的核心部件,更化身通用模拟构建模块,出现在所有齐纳二极管无法胜任的电路场景中。
最终,TL431 定义了低成本电源的电压调节方式,更成为历史上被克隆、重新封装和二次应用最多的模拟器件之一 —— 从阴极射线管(CRT)显示器、ATX 电源,到工业控制器和汽车电子控制单元(ECU),它悄然融入各类产品的核心架构。
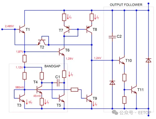
TL431 的内部结构(数据手册见链接)包含:经校准至约 2.495V 的经典带隙基准、将参考引脚(REF)电压与基准电压进行比较的内部运算放大器,以及可从阴极吸收高达 100mA 电流的晶体管。本质上,它是一款带增益的精密比较器,搭配能在宽温度范围和生产离散性下保持稳定的基准源。
当 REF 引脚与阴极短接时,TL431 可作为低噪声、响应迅速的 2.5V 齐纳二极管替代品;外接两个电阻,就能构成最高约 36V 的可编程基准;将其输出端连接到光耦合器 LED,即可成为隔离式反激变换器的完整反馈控制器。其核心优势在于无需配置寄存器或精密偏置网络:内部极点确保了可预测的带宽,输出级能以出色的一致性实现从微安级到数十毫安级的电流摆动。

L431 简化原理图
与 20 世纪 70 年代末的许多模拟集成电路一样,TL431 的设计预留了充足的裕量:最小工作电流约为 1mA,而在此电流之上,器件表现出惊人的线性特性。德州仪器及其他制造商随后推出了精度更高的版本(±1% 和 ±0.5%),确保该器件无需依赖昂贵的精密基准源,就能为消费级开关模式电源设计提供稳定的电压环路锚点。
此外,REF 引脚的输入电流仅为微安级,因此设定输出电压的分压网络几乎不会影响精度。在那个低成本电源需要无额外元件即可实现稳定性的时代,这一特性足以让 TL431 成为默认选择。
到 20 世纪 80 年代中期,离线式反激变换器已无处不在 —— 电视、录像机、电脑电源以及新兴的墙插式适配器中,都能看到它的身影。这些产品的次级侧通常共享一个相似的模块:TL431 驱动光耦合器,并搭配小型 RC 网络构成反馈环路。
TL431 在此场景中表现卓越,因其整合了多项必需功能:稳定的基准源、足够增益以实现严格负载调节的内部放大器,以及无需外部缓冲即可直接调制光耦合器 LED 的输出晶体管。设计师只需添加补偿电容、一两个电阻和采样分压网络,这种简洁性使其迅速占据数百万个应用场景。

晶体管级原理图
不过,TL431 的内部补偿设计也带来了一个著名的问题:在容性负载不当时容易产生振荡。阴极上的小型陶瓷电容可能会移动主极点,导致相位裕量完全丧失,尤其在器件接近最小工作电流的轻载工况下。应用笔记随即给出解决方案:在 TL431 与光耦合器或输出电容之间串联一个小电阻,通过增加零点来稳定环路。
即便存在这些注意事项,该器件依然具有良好的容错性:只要阴极电流保持在最小值以上,且 REF 分压网络偏置合理,即使在元件容差大、布局简陋或受成本限制的廉价电源中,整体环路仍能表现出可预测的稳定性。
一旦工程师们意识到 TL431 可作为 “带增益的齐纳管”,其应用范围便不再局限于电源调节:
•过压保护:当电压超过阈值时,驱动可控硅(SCR)或 MOSFET;
•精密电流源:与采样电阻搭配,实现精准电流吸收;
•窗口比较器:在电池充电器和仪器仪表中发挥双重作用;
•线性稳压器:替代基准源和误差放大器,控制外部调整管构成简易三端稳压器。
低压版本(如 TLV431 和 LMV431)将基准电压扩展至 1.24V 领域,并将最小工作电流降至数十微安;汽车级 TL431-Q1 版本则使其能适应恶劣的工业环境。数十家厂商生产引脚兼容的克隆产品,部分性能与原版几乎一致,另一些则在增益或补偿特性上存在明显差异 —— 这也导致电源设计师有时会坚持使用单一供应商,以避免重新验证控制环路稳定性。
尽管变体繁多,TL431 的核心架构始终未变:REF 引脚始终是基准输入端,阳极始终为接地端,阴极始终为功能端。这种延续性使其在开关控制器和拓扑结构不断演进的浪潮中,始终保持着不可替代的地位。
原文:
https://www.allaboutcircuits.com/news/tl431-the-precision-shunt-regulator-that-quietly-took-over-power-supplies/