多相DC-DC转换器简介
2023-03-21 12:20:42 EETOP编译多相 DC-DC 转换可以显著提高大电流应用中降压开关稳压器的性能。在本文中,将解释多相降压转换器的结构和功能,在以后的文章中,将介绍其优缺点,以帮助您确定哪些设计项目可能受益于多相而不是单相调节方案。
首先,让我们简要回顾一下 DC-DC 转换的基础知识。
使用降压转换器的开关模式电压调节
以下电路(图 1)代表一个基本的降压开关稳压器(也称为降压转换器):

图 1. 该电路是一个异步降压转换器。在同步降压拓扑中,低侧晶体管取代了二极管。图片由德州仪器提供
与线性稳压器不同,DC-DC 转换器可以通过利用“开关模式”(即开与关)电流的优势来实现高效率。DC-DC 转换器的晶体管完全导通或完全关闭,而不是像线性调节那样在用作可变电阻器的晶体管上耗散功率,从而避免在低效率中间区域运行。
开关电压被晶体管输出侧的电感-电容电路过滤成稳定的、降低的电压。当晶体管导通时,电流通过电感流向负载。另一方面,当晶体管关断时,电感器保持电流流动(回想一下,它的电流不能瞬间改变)。在这种情况下,输出电容器为所需的负载电流提供电荷储存器。调节是通过反馈环路实现的,反馈环路通过对施加到晶体管栅极的控制信号进行脉宽调制来调节输出电压,从而改变导通状态持续时间与截止状态持续时间的比率。
多相转换架构
接下来,让我们看下图 2 中的图表,该图表摘自Renesas 的 DA9213/14/15 多相降压转换器的数据表。

图 2. 这是 DA9213 的系统图。图片由Renesas提供
这些器件可提供高达 20 A 的电流,适用于低电压、高电流应用,例如为智能手机和平板电脑中的微处理器生成电源轨。这张图显示了多相降压转换器的结构,但没有传达在实际应用中实现多相转换所需的过于简单的概念。
在右侧,您可以看到四对场效应晶体管 (FET)和四个电感器。一对 FET 用作控制通过一个电感器的电流的半桥驱动器,每个半桥驱动器加电感器子电路是一个相位(即单独降压转换器的核心)。相位并联运行并协作为负载提供电流(图中的负载电流由输出电容右侧的电流源表示)。
虽然图中显示了四个独立的输出电容器,但所有这些电容器都是并联的;换句话说,输出电容在物理上是分开的,但在电气上是统一的。输入电容也是如此。因此,相位不共享电感,但它们共享输入和输出电容。
优化的多相转换是一个复杂的过程,您可以在图中看到 DA9213 包含相当多的控制电路。串行接口允许微控制器读取和写入与以下相关的数据:
温度故障
电流限制
输出电压目标
输出电压状态
电压斜率
Phase shedding和许多其他操作细节
多相转换的一个重要方面是应用于相位的交错时序,实际上,多相转换器也称为交错转换器。通过向相位晶体管施加一系列控制脉冲,交错以循环方式激活相位。
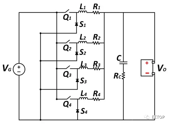
图 3 中的以下示意图来自Reyes-Portillo 等人撰写的研究论文。并发表在 World Electric Vehicle Journal 上,描述了专为 EV 电池充电设计的异步多相降压拓扑。

图 3.用于 EV 充电的示例同步多相降压拓扑。图片由 Reyes-Portillo 等人提供
此外,作者还提供了以下四个阶段的时序图(图 4)。

图 4.涵盖图 3 所示同一示例的四个阶段的时序图。图片由 Reyes-Portillo 等人提供
晶体管的控制信号在示意图中描绘为开关 Q 1至 Q 4并作为金属氧化物半导体场效应晶体管 (MOSFET)实现,创建一个周期,其中相位“轮流”进入导通状态。这就是交错的意思。上面显示的特定方案包括控制信号中的相间重叠,但重叠不是必需的。
需要注意的一件事是,这项研究的作者指出,控制信号重叠是有利的,至少在他们的使用场景中是这样,因为它消除了从电源汲取的输入电流的不连续性。
相电流与输出电流
在进一步深入之前,重要的是要认识到虽然相位顺序进入导通状态,但它们不会“轮流”提供所有负载电流。正如独立降压稳压器提供的电流在控制信号关闭晶体管时不会降至零一样,交错相位在关闭状态期间提供电流,并且这些电流的总和可用于负载。德州仪器 (TI) 应用笔记中的下图(图 5)将有助于阐明这一概念。

图 5.来自 TI 应用笔记的示例框图。图片由德州仪器提供
首先,请注意此方案中的相位控制信号如何不重叠。
一旦控制信号变低并关闭晶体管,相电流就开始下降,但这只会导致电流纹波,不会导致相电流损失。两个纹波电流加在一起形成一个(纹波)和电流,因此,两相系统中的每一相仅负责最大负载电流的一半。同样,四相系统中的每一相负责最大负载电流的四分之一。
下图(如图 6 所示,摘自另一篇关于多相转换优势的 TI 应用笔记)更清楚地显示了相电流的详细信息及其与输出电流的关系。

图 6.示例显示相电流及其与输出电流的关系。图片由德州仪器提供
两相有大约 5 A 的电感电流,峰峰值纹波约为 2 A,输送到稳压器输出电容的总电流是两个 5 A 相电流的总和。在后续文章中,我们将看到这种使用多个交错稳压器子电路来提供更大总电源电流的技术是多相 DC-DC 转换优势的关键。
总的来说,我希望本文能让您对一种电源技术有所了解,这种技术在某些应用中非常有优势,但可能并没有像它应该的那样广为人知。
来源:EETOP编译自allaboutcircuits
EETOP 官方微信
创芯大讲堂 在线教育
半导体创芯网 快讯
相关文章