电流源简介
2023-01-03 12:33:54 EETOP与电池和墙上的交流电源等电压源相比,电流源不太为人所知。电流源通常隐藏在电子电路内部,看不见。现在让我们了解它们是什么以及它们是如何设计的。
我们大多数人都了解电压源。无论您只将一台设备还是多台设备插入墙上插座,电压都保持不变。当您将两个或三个电池串联时,电压会增加一倍或三倍。
测量电压很容易。如果您有电压表,请将其设置为适当的量程,并将两个探针插入墙上插座或电池两端即可。
然而,电流不太为人熟悉。甚至一些技术人员并不真正了解电流或不知道如何测量电流。了解当前资源甚至知道它们存在的人就更少了。在这篇文章中,让我们在进入电流源之前快速回顾一下电流的基础知识。
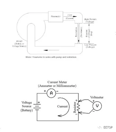
深入研究,让我们看一下图 1,它将电流与水流进行了比较。

电压是泵产生的压力,电流是流量。添加电阻(管道限制)会降低电流(流量)。如果电路坏了(管道堵塞),仍然会有电压(压力)但没有电流(流量)。
为了测量水流量,在管道中串联一个流量计。同样,为了测量电流,需要串联一个电流表,如图 2 所示。

通常必须断开电路(断线或断开连接)才能添加仪表。这与电压不同,电压可以通过触摸两个测量点之间的表笔来测量。
另外,有钳形电流表缠绕在电线上并通过测量电线的磁场间接测量电流。这些不需要断开电路。这些类似于使用超声波束测量水流的钳式流量计。
接下来,看看图 3,它比较了电压源和电流源。

将负载并联到电压源会增加电流但不会改变电压,除非总电流大于电源(发电机或电池)可以提供的电流。
如图3b所示,在电流源的示例中,负载是串联添加的。如果添加额外的发光二极管(LED),电阻就会发生变化。如果取下电机(换成短路),电压会改变,但电流不会改变。除非总负载电压超过电流源所能提供的电压,否则电流将保持恒定。
电流源电路广泛应用于工业控制系统中。电流,而不是电压,被用来长距离传输模拟测量。电流传输具有过电压信号的优点。电流不受长接线增加的电阻的影响。此外,电流信号不太容易受到电噪声或电磁干扰(EMI)的影响。
在工业应用中,通常使用电流范围为4至20 mA DC的升高电平的零信号。升高的零信号意味着4 mA代表范围的低端(通常为零)。电流范围的高、满量程端是20 mA。例如,4至20 mA可能代表一个角度位置传感器的0至250度。图4显示了一个典型的4-20 mA工业电流通信系统。

电流源的另一个优点是,在一些系统中,电源可以通过与电流信号相同的两根电线传输。工业双线变送器控制环路中的电流与测量成正比,并从环路电流中 "窃取 "其工作功率。
LED通常由电流源驱动。如上所述,一个、两个或几个LED可以串联起来,而电流不会改变。电流源通常是专门的LED驱动IC,而不是你可以自己设计的简单电路。通常,它们使用脉冲宽度调制(PWM),以保持在不断变化的负载和电源电压下的有效运行。有许多产品,针对不同的应用有不同的功能。
电流源也用在IC的内部电路中,尤其是模拟电路中。电流源也称为电流镜。流行的电流镜设计包括以传奇模拟设计师Bob Widlar命名的 Widlar 电流源。
看看图 5,它展示了一个简单的单晶体管电流源电路。

由于 NPN 晶体管的基极-发射极的压降,发射极电压比基极电压 (Vb) 低约 0.7伏。发射极电流 Ie 等于 Ve/R。无论集电极上的电压如何,集电极电流都是恒定的,大约等于 Ie。总的来说,由于通过底座的电流很小,它大约会降低百分之一。
该电路有时被称为电流吸收器,因为它从电源汲取或吸收电流。要将其更改为源极,请将 NPN晶体管替换为PNP 晶体管并将电路倒过来,将负输出连接到公共端。
如果 Vb 可变,则 Ie 和 Ic 将按比例变化。图 5 还显示了两个可能的固定电压源。如果电源电压发生变化,则使用两个电阻器的电阻器会发生变化,从而导致电流发生变化。尽管电源电压发生变化,齐纳源仍将保持恒定。
图 6 添加了一个运算放大器以创建精密电压控制的 4–20 mA 电流源。

0–1 VDC 输入可能是来自热电偶、应变计或其他传感器的放大测量信号。两个输入电阻将其转换为 0.2-1.0 V,产生 4 mA 输出偏移。运算放大器反馈使发射极输出等于 0.2–1.0 V 输入。50 Ω电阻将其转换为 4–20 mA 输出电流。
如图所示,由于电阻器的典型 +/-1% 容差、1 V 电源的变化以及发射极和集电极电流之间的微小差异,电路将不完全准确。
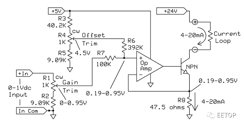
另一方面,图 7 显示了一个实用版本,它增加了增益和失调微调调整并使用 5 V基准。

运算放大器不需要超过 5 V 的电压即可运行。24 V 输出电源支持高达约 1100 Ω 的输出电阻(20 mA 时为 22 V),但可以在较低电阻下使用较低电压。 运算放大器规格并不重要。晶体管的最大功率发生在低输出电阻时:如果负载为零欧姆,则为0.48 W(20 mA 时为 24 V)。它的额定功率至少应为 1 W,才能安全处理超过 20 mA 的电流。 还有其他几种设计电流源的方法。下面是一些示例,包括之前的所有关于电路的文章中详细描述的一些示例: 使用MOSFET电流源(FET 电流镜) 使用结型晶体管电流镜 使用稳压器 IC制作电流源 等 简而言之,电流源不如电压源广为人知。电流源产生不受负载变化影响的电流。它们广泛用于远距离发送模拟过程信号、点亮 LED 以及内部 IC 电路。图 7.改进的 4-20 mA 电路,可精确调整增益和偏移。
其他电流源设计
总结