首页
论坛
博客
大讲堂
人才网
直播
资讯
技术文章
频道
登录
注册
x
【4200 SMU应用文章】之实例篇:测量范德堡法电阻率和霍尔电压
2020-01-16 10:41:00
泰克
点击关注->
创芯网公众号
,后台告知EETOP论坛用户名,奖励200信元
半导体
材料研究和器件
测试
通常要
测量
样本的电阻率和霍尔电压。
半导体
材料的电阻率主要取决于体掺杂,在器件中,电阻率会影响电容、串联电阻和阈值电压。霍尔电压
测量
用来推导
半导体
类型(n还是p)、自由载流子密度和迁移率。
为确定
半导体
范德堡法电阻率和霍尔电压,进行电气
测量
时需要一个电流源和一个电压表。为自动进行
测量
,一般会使用一个可编程开关,把电流源和电压表切换到样本的所有侧。4200A-SCS参数分析仪拥有4个源
测量
单元(SMUs)和4个前置放大器(用于高电阻
测量
),可以自动进行这些
测量
,而不需可编程开关。用户可以使用4个中等功率SMU (4200-SMU, 4201-SMU)或高功率SMU (4210-SMU, 4211-SMU),对高电阻材料,要求使用4200-PA前置放大器。4200A-SCS包括多项内置
测试
,在需要时把SMU的功能自动切换到电压表或电流源,霍尔电压
测量
要求对样本应用磁场。
4200A-SCS包括交互软件,在
半导体
材料上进行范德堡法和霍尔电压
测量
。4200A-SCS Clarius+软件提供了全面的程序库,除电阻率和霍尔电压
测试
外,还包括许多其他
测试
和项目。范德堡法和霍尔电压
测试
是在Clarius V1.5和V1.6中新增的,包括计算确定表面或体积电阻率、霍尔迁移率和霍尔系数。
范德堡法电阻率
测量
人们通常使用范德堡法(vdp)推导
半导体
材料的电阻率。这种四线方法用在拥有四个端子、均匀厚度的小的扁平形样本上。电流通过两个端子施加到样本上,透过相反的两个端子
测量
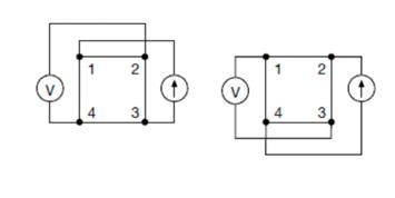
电压下跌,如图1所示。
图1. 范德堡法配置
使用图2所示的SMU仪器配置,围着样本的边缘重复
测量
8次。
图2. 范德堡法电阻率
测量
惯例。
然后使用这一串8项电压
测量
(V1-V8)和
测试
电流(I)来计算电阻率(ρ),ρA和ρB是体积电阻率,fA和fB是样本对称度的几何因数,与两个电阻比率QA和QB相关。公式如下:
图3. 电阻率计算公式
霍尔电压
测量
霍尔电压
测量
对
半导体
材料表征具有重要意义,因为从霍尔电压和电阻率可以导出传导率类型、载流子密度和迁移率。在应用磁场后,可以使用下面的I-V
测量
配置
测量
霍尔电压:
图4. 霍尔电压
测量
配置。
把正磁场B垂直应用到样本,在端子3和端子1之间应用一个电流(I31pBp),
测量
端子2和端子4之间的电压下跌(V24pBp)。颠倒电流(I31nBp),再次
测量
电压下跌(V24nBp)。这种颠倒电流方法用来校正偏置电压。然后,从端子2到端子4应用电流(I24pBp),
测量
端子1和端子3之间的电压下跌(V13pBp)。颠倒电流(I24nBp),再次
测量
电压下跌(V13nBp)。颠倒磁场Bn,再次重复这一过程,
测量
电压下跌V24pBn、V24nBn、V13pBn和V13nBn。
从8项霍尔电压
测量
中,可以使用下面的公式计算平均霍尔系数,RHC和RHD是霍尔系数(cm3/C),计算出RHC和RHD后,可以通过下面的公式确定平均霍尔系数(RHAVG),从范德堡法电阻率(ρAVG)(表示为输出参数Volume_Resistivity)和霍尔系数(RHAVG)中,可以计算出霍尔迁移率(μH)。
使用4200A
测量
范德堡法电阻率和霍尔电压
4200A-SCS配有四个SMU和前置放大器,简化了范德堡法和霍尔电压
测量
,因为它包含多项内置
测试
,可以自动完成这些
测量
。在使用这些内置
测试
时,四个SMUs连接到样本的四个端子上,如图5所示。对每项
测量
,每个SMU的功能会在电流源、电压表或公共之间变化。先
测量
八项
测试
中每项
测试
的电压下跌和
测试
电流,然后导出电阻率或霍尔系数。霍尔电压
测量
要求对样本应用一个磁场。
图5. 四个SMUs连接到被测样本的四个端子上。
Clarius+
测试
库包括范德堡法和霍尔迁移率
测量
的
测试
。在Select视图中,可以使用屏幕右侧Material材料过滤器,在Test Library
测试
库中找到这些
测试
,如图6所示。选择
测试
,然后选择Add添加,可以把这些
测试
添加到项目树中。这些
测试
从vdpulib用户程序库中的用户模块创建。
图6. 选择范德堡法电阻率和霍尔系数
测试
。
可以使用范德堡法表面和体积电阻率
测试
。
测试
库有两项电阻率
测试
:vdp-surface-resistivity和vdp-volume-resistivity。vdp-surface-resistivity
测试
测量
和计算电阻率,单位为Ω/square。对vdp-volume-resistivity
测试
,用户必须输入样本厚度,然后计算出电阻率,单位为Ω-cm。对这两项
测试
,都强制应用电流,进行8项电压
测量
。
还可以使用霍尔系数
测试
。使用四台SMU仪器,强制应用电流,使用正负磁场进行8项电压
测量
。磁场使用固定磁铁生成,会提示用户颠倒磁场。可以在
测试
库中找到hall-coefficient
测试
,添加到项目树中。
为成功地进行电阻率
测量
,我们必需考虑潜在的错误来源。主要为静电干扰、泄漏电流、光线、温度、载流子注入等。1)静电干扰:当带电物体放到不带电物体附近时,会发生静电干扰。通常情况下,干扰的影响并不显著,因为电荷在低电阻时会迅速消散。但是,高电阻材料不允许电荷迅速衰退,所以可能会导致
测量
不稳定。由于DC或DC静电场,可能会产生错误的读数。2)泄漏电流:对高电阻样本,泄漏电流可能会劣化
测量
,泄漏电流源于电缆、探头和
测试
夹具的绝缘电阻,通过使用优质绝缘体、降低湿度、使用保护装置等,可以最大限度地降低泄漏电流。3)光线:光敏效应产生的电流可能会劣化
测量
,特别是在高电阻样本上。为防止这种效应,应把样本放在暗舱中。4)温度:热电电压也可能会影响
测量
精度,源电流导致的样本变热也可能会产生热电电压,实验室环境中的温度波动也可能会影响
测量
。由于
半导体
的温度系数相对较大,所以可能需要使用校正因数,补偿实验室中的温度变化。5)载流子注入:此外,为防止少数/多数载流子注入影响电阻率
测量
,两个电压传感端子之间的电压差应保持在100mV以下,理想情况下是25mV,因为热电压kt/q约为26mV。在不影响
测量
精度的情况下,
测试
电流应尽可能低。
通过使用四个SMUs和内置
测试
,可以利用4200A-SCS参数分析仪简便地在
半导体
材料上实现范德堡法
测量
。通过使用用户提供的磁铁,还可以确定霍尔迁移率。如果想
测试
低电阻材料(如导体),可以使用基于Keithley 3765霍尔效应卡的系统,包括2182A纳伏表。了解4200更多信息,来这里
https://www.tek.com.cn/keithley-4200a-scs-parameter-analyzer
。
关键词:
泰克
测试测量
EETOP 官方微信
创芯大讲堂 在线教育
半导体创芯网 快讯
相关文章
上一篇:
益莱储2020年展望: 观测试仪器需求五
下一篇:
【360度看新一代示波器】系列之六: M
全部评论
最新资讯
Vishay推出通过AEC-Q200认证的玻璃封装保护
贸泽开售ROHM Semiconductor ML63Q25x A
重磅!中科曙光终止重大资产重组
安世争议持续,中国公布荷兰间谍名单?外交
突发!闻泰科技重大披露
博通&美满 冰火两重天!
蓝牙核心规范6.2正式发布
重磅!美国将开放英伟达AI芯片对华出口
IPO批量造富!摩尔线程诞生多位百亿巨富
曝!沐曦股份中签率出炉
最热资讯
精度决定可靠性:超低电流测量中的误差来源
一文讲透高速信号完整性分析和测试
深度解析电解直流电源如何驱动氢能时代
FET 生物传感器的直流I-V 特性研究
理解ADC中的ENOB(有效位数):数字示波器动
淼森波 × 泰克科技联合实验室正式揭牌
让你的测试玩出花儿!任意波形/函数发生器
PCIe Gen3/Gen4接收端链路均衡测试(上篇
使用EA电池模拟器进行电池仿真
安捷伦推出面向功率电路设计的功率器件电容