简介
不言而喻,PC电路板的布局设计决定了每一种
电源设计的成败。它决定了一个
电源的功能、电磁干扰(EMI)和热行为。虽然开关
电源布局不是黑魔法,但在设计过程中会经常被忽视,最终发现其至关重要却为时已晚。因此需要一种行之有效的方法,从一开始就削弱这些潜在的EMI威胁,方能确保
电源安静而稳定。虽然许多开关模式
电源设计人员都很清楚开关模式
电源的设计复杂性和细微差别,但很多公司根本没有足够的设计人员满足所有项目需求完成设计。不少设计人员将退休并离开此行业!那么,如何解决这个问题呢?
首先,就是因为模拟
电源设计人员不足,所以要求越来越多的数字设计人员进行开关模式
电源设计!虽然大多数数字设计人员都知道如何使用简单的线性稳压器,但并非所有设计都要求降压(降压模式)。事实上,很多是升压模式(升压),甚至是降压-升压拓扑(降压和升压模式相结合)。
显然,许多电子系统制造商都面临一个问题:如何实现系统所需的所有开关模式
电源电路?
解决设计资源短缺问题
在本文中,我将介绍降压稳压器工作的一些基本原理,包括开关稳压器热回路中的高di/dt和寄生电感如何导致电磁噪声和开关振铃。然后我们将看看如何减少高频噪声。我还将介绍ADI的Power by Linear™ Silent Switcher
®技术,包括它如何构成,并演示它如何帮助解决EMI问题,且丝毫不会影响性能。其中还包括Silent Switcher器件如何工作。
我还将概述Silent Switcher的封装和布局,讨论这些封装和布局如何提高降压转换器的整体性能。此外,我将演示如何将此技术融入我们的μModule
®稳压器,从而提高Silent Switcher器件的集成度。对于不熟悉开关模式
电源设计技术的设计人员,这些简单易用的解决方案会很有用。
基本降压稳压器电路
最基本的
电源拓扑之一是降压稳压器,如图1所示。EMI从高di/dt回路开始。供电线和负载线不应具有高交流电流分量。因此,输入电容C2应将所有相关电流的交流分量传输至输出电容C1,所有电流交流分量在这里结束。
图1.同步降压稳压器原理图。
参考图1,在M1关闭而M2打开的开启周期中,交流电流在实线蓝色回路中流动。在关闭周期中,当M1打开而M2关闭时,交流电流在绿色虚线回路中流动。大多数人难以理解,产生最高EMI的回路既不是实线蓝色回路,也不是虚线绿色回路。而是虚线红色回路中流动的全开关交流电流,从零切换至I峰值,再回到零。虚线红色回路通常指热回路,因为它有最高交流电流和EMI能量。
导致电磁噪声和开关振铃的是开关稳压器热回路中的高di/dt和寄生电感。要减少EMI并改进功能,需要尽量减少虚线红色回路的辐射效应。如果我们能够将虚线红色回路的PC电路板面积减少到零,并且能够买到具有零阻抗的理想电容,就能解决这个问题。然而,在现实世界中,设计工程师所能做的就是找到一个最佳的折中方案!
那么,这些高频噪声到底是从哪里来的呢?在电子电路中,通过寄生电阻、电感和电容耦合,在开关转换过程中,产生了高频谐波。知道是哪里产生噪声,那么如何减少高频开关噪声呢?减少噪声的传统方式是减慢MOSFET开关边缘。通过减慢内部开关驱动器或从外部添加缓冲器,就可以实现。
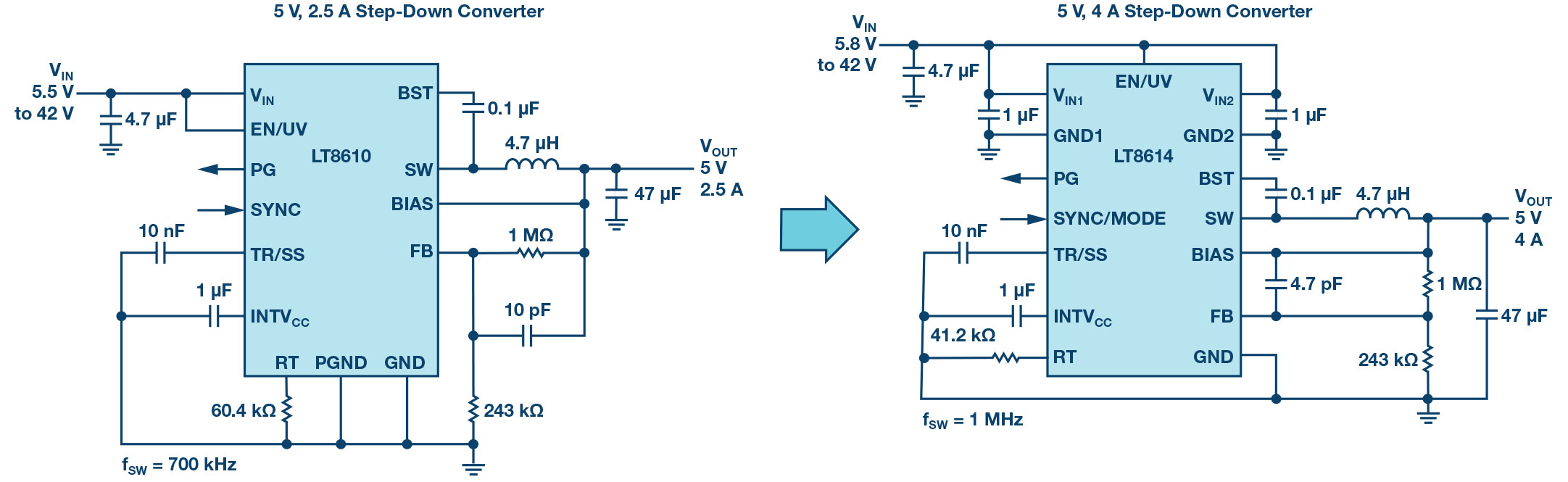
图2.如何将LT8610转换为Silent Switcher器件——LT8614。
但是,这会降低转换器的效率,因为增加了开关损耗——特别是当开关稳压器在高开关频率(如2 MHz)下运行时。说到这里,我们为何要在2 MHz的频率下运行呢?实际上有几个原因:
► 它允许使用较小(尺寸)的外部元件,如电容和电感。例如,每次开关频率加倍,会使电感值和输出电容值减半。
► 在
汽车应用中,在2 MHz下开关可以避免在AM频段产生噪声。
减小辐射,也可使用滤波器和屏蔽,但这需要更多的外部元件和电路板面积。还可采用展频(SSFM)技术,但这样在已知范围内会使系统时钟抖动。SSFM有助于满足EMI标准要求。EMI能量被打散分布在频域上。虽然普通开关电源所选的开关频率通常会在AM频段之外(530 kHz至1.8 MHz),但在AM频段内,未经调制的开关谐波仍可能不符合严格的汽车EMI要求。添加SSFM功能可明显减少AM频段内及其他区域中的EMI。
或者就使用ADI的Silent Switcher技术,该技术能够满足上述所有要求:
► 高效率
► 高开关频率
► 低电磁辐射(EMI)
Silent Switcher技术
Silent Switcher器件无需减慢开关边缘速率,解决了EMI和效率之间的权衡问题。那么如何才能实现呢?考虑使用LT8610,如图2左侧所示。这是支持42 V输入的单片(内部有FET)同步降压转换器,可提供高达2.5 A的输出电流。请注意,其左上角有一个输入引脚(VIN)。
但是,将LT8610与LT8614(支持42 V输入的单片同步降压转换器,可提供高达4 A的输出电流)相比,我们可以看到,LT8614在封装的另一侧有两个V
IN引脚和两个接地引脚。这很重要,因为它是实现
超低噪声开关的一部分!
如何使开关稳压器具有超低噪声
如何实现这个目标?在
芯片另一侧的V
IN和接地引脚之间放置两个输入电容可消除磁场。幻灯片中突出显示了这一点,在原理图和演示板上均用红色箭头指向电容的位置,如图3所示。
图3.LT8614图,显示滤波器电容安置在IC另一侧的VIN和接地引脚之间。
LT8614详情
LT8614包含Silent Switcher功能。利用该功能,我们通过使用铜柱倒装
芯片封装能够减少寄生电感。此外,还有反向V
IN、接地和输入电容,可消除磁场(适用右手法则)以降低EMI辐射。
由于不需要使用焊线键合式装配技术所要求的长键合线,不会产生大的寄生电阻和电感,从而可减小封装寄生电感。两个对称分布的输入热回路产生的反向磁场相互抵消,并且电回路没有净磁场。
我们将LT8614 Silent Switcher稳压器与当前先进的开关稳压器LT8610进行比较。在GTEM室中,对两个器件的标准演示板使用相同负载、相同输入电压和相同电感进行了
测试。我们发现,与使用LT8610具有很不错的EMI性能相比,使用LT8614时还能提高20 dB,特别是在管理更高频率更困难的区域。在整体设计中,与其他敏感系统相比,LT8614开关
电源需要的滤波更少、距离更短,从而可以实现更简单紧凑的设计。此外,在时域内,LT8614在开关节点边缘的性能良好。
图3.LT8614图,显示滤波器电容安置在IC另一侧的VIN和接地引脚之间。
Silent Switcher器件的进一步增强
尽管LT8614具有出色的性能,但我们并没有停止改进的步伐。于是,LT8640降压稳压器采用Silent Switcher架构,旨在最大限度地减少EMI/EMC辐射,同时在高达3 MHz的频率下提供高效率。它采用3 mm × 4 mm QFN封装,采用集成
电源单片式结构,同时提供所有必需的电路功能,共同构成PCB占用空间最小的解决方案。瞬
变态响应性能仍然很出色,任何负载(从零电流到满电流)时的输出电压纹波低于10 mV p-pat。LT8640允许在高频率下进行高V
IN到低V
OUT转换,最短开关导通时间为30 ns。
为改进EMI/EMC,LT8640可工作在展频模式。该功能以20%的三角调频调整时钟。当LT8640处于展频调制模式时,使用三角调频功能在RT设定值与约高于该值20%之间调整开关频率。调制频率约为3 kHz。例如,当LT8640设为2 MHz时,3 kHz速率下的频率将从2 MHz至2.4 MHz不等。选择展频工作模式时,突发模式(Burst Mode
®)操作会禁用,器件将在脉冲跳跃模式或强制连续模式下运行。
然而,尽管我们在Silent Switcher数据手册中都有说明,如提供了原理图和布局建议,以及将输入电容放在尽可能靠近IC两侧的位置——有一些客户仍然会出错。此外,我们的内部工程师也花了太多的时间来解决客户的PCB布局问题。因此,我们的设计人员提出了解决此问题的最佳解决方案——Silent Switcher 2架构。
Silent Switcher 2
采用Silent Switcher 2技术,我们只需将电容集成在新LQFN封装内:V
IN电容、IntV
CC和升压电容——尽可能靠近引脚放置。优势是将所有热回路和接地层都包括在内,从而降低了EMI。外部元件越少,解决方案尺寸就越小。此外,我们还消除了PCB布局敏感性。
如图5所示,可以看出LT8640和LT8640S的原理图有何不同。而营销突破口是为包含内部电容的集成度更高的新版本冠以“S”的后缀。因为它比第一代更“安静”!
图5.LT8640S是一款具有更高的电容集成度的Silent Switcher 2器件。
Silent Switcher 2技术提高了散热性能。LQFN倒装
芯片封装上的多个大尺寸接地裸露焊盘有助于封装和PCB散热。由于我们消除了高电阻键合线,因此还提高了转换效率。LT8640S的EMI性能轻松满足辐射EMI性能CISPR 25 Class 5峰值限制要求并且有较大的裕量。
下一步:所有组件都与Silent Switcher 2 μModule稳压器集成
Silent Switcher技术如此引人注目,我们选择将其融入我们的μModule稳压器产品线。所有组件都集成在一个小尺寸封装中,为用户提供了一个简单可靠、高性能和高
电源密度的解决方案。 LTM8053和LTM8073是几乎集成了所有组件的微型模块稳压器,只有少量电容和电阻接在外部。
图6.LTM8053 Silent Switcher 2 μModule。
作者简介

Tony Armstrong 目前是ADI公司Power by Linear产品部的产品营销总监。他负责
电源转换和管理产品从上市到停产的所有事务。加入ADI之前,Tony在Linear Technology、Siliconix Inc.、Semtech Corp.、Fairchild Semiconductors和Intel担任过营销、销售和运营方面的不同职位。他毕业于英格兰曼彻斯特大学,获得应用数学(荣誉)学士学位。