首页
论坛
博客
大讲堂
人才网
直播
资讯
技术文章
频道
登录
注册
x
具有优化功率搜索和多种安全特性的完整高效的100 mA无线充电解决方案
2020-01-06 12:56:19
Wenwei Li ,ADI 电源产品应用工程师
点击关注->
创芯网公众号
,后台告知EETOP论坛用户名,奖励200信元
LTC4124 是一款高性能100 mA无线锂离子充电器接收器,它只需很少的外部组件即可构成一个完整的小型解决方案,适合于空间受限的应用。LTC4124与LTC4125(一款具有优化功率搜索和异物检测功能的无线功率发送器)配对使用,可创建一个安全高效的无线充电环境。
高度集成的无线充电器接收器
对于小尺寸便携式和可穿戴设备而言,无线充电正变得越来越流行。这不足为奇。设备没有裸露的连接器和端口将更加可靠,最终用户体验也更轻松简便。为了克服这些设备(如助听器)带来的空间限制问题,LTC4124集成了无线功率管理器,它将来自无线谐振电路的交流电压转换为稳定的直流电压。然后,该直流电压会馈入功能齐全的线性电池充电器中,以提供良好的电池充电功能。有着如此高的集成度,仅需添加一个接收器谐振电路和电池本身,即可实现非常小巧且功能齐全的无线充电装置。
高效的无线功率管理器
如图2所示,如果LTC4124接收的能量超出为电池充电所需的能量,IC中的无线功率管理器通过将接收器谐振电路分流接地,可以使IC的输入电压V
CC
保持低电平。这样,线性充电器将非常高效,因为其输入始终正好保持在电池电压V
BATT
之上。接合分流电路时,接收器谐振频率将与发射器频率失调,谐振电路也因此会接收较小的能量。
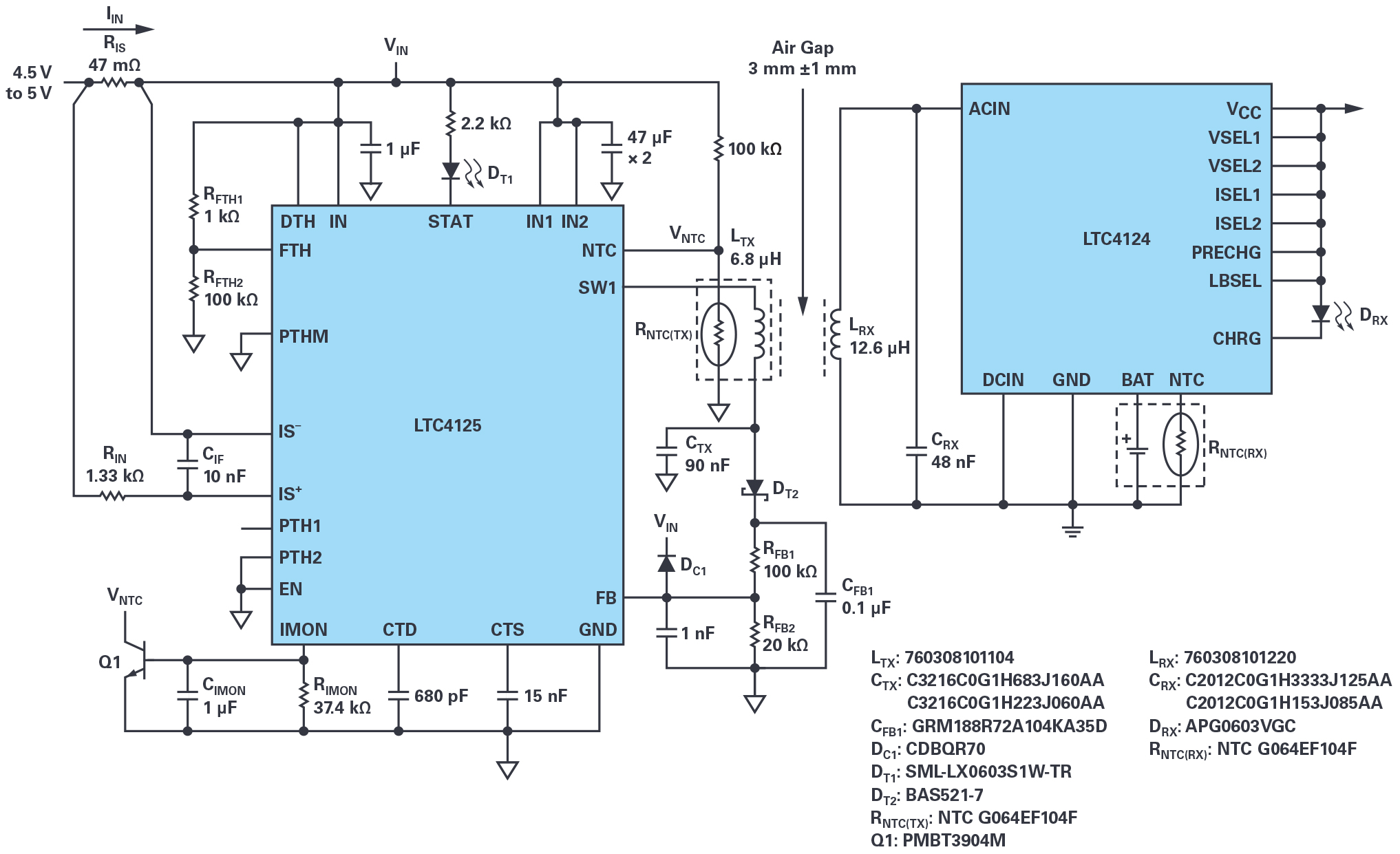
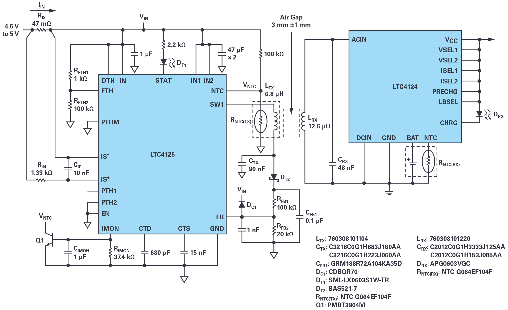
图1.完整的6 mm无线电池充电器解决方案。
图2.交流输入整流和直流轨电压调节。
使用LTC4125发送器构成完整的无线充电设计
图3所示的LTC4125是一款高性能AutoResonant™无线发送器,它具有针对无线充电应用的完整保护功能。LTC4125中的优化功率搜索功能可根据接收器负载需求来调节发射功率。LTC4125还包括多种异物检测方法,以防止其他物体从发射器接收无用功率。
与LTC4124配对使用时,可将LTC4125全桥谐振驱动器转换为半桥驱动器,以利用更精细的搜索步长,从而使低功率接收器接收恰好足够的功率来为电池充电。当电池接近充满电的状态时,LTC4124进入恒定电压模式,使调节充电电流降低。LTC4125将自动降低其功率传输水平,以匹配接收器的更低功率需求。这有助于减少整个充电周期的功耗,使LTC4124充电器和电池保持较低温度。
图4显示了满功率和限流恒压模式下接收器电路的温度。在室温下,两种模式的温度均低于40°C。
图3.LTC4124 100 mA充电器接收器与运行
优化
功率搜索的LTC4125 AutoResonant发送器配对使用。
图4.热性能比较:(a) 4.1 V输出时100 mA充电电流,(b) 4.2 V输出时10 mA充电电流。
从发送器上移开充电器接收器时,LTC4125找不到有源负载,其功率将降至待机模式(如图5所示)。图6显示了在发送器上放置金属异物时的情况:LTC4125检测到高谐振频率并进入待机模式。
图5.LTC4125未检测到接收器时的运行情况。
图6.LTC4125检测到异物。
结论
LTC4124集成了无线
电源
管理器和功能齐全的锂离子电池充电器,简化了空间受限应用中的无线充电器接收器设计。LTC4125可以用作LTC4124接收器的半桥发送器,从而提供了一个具有完备保护功能的完整高效的无线充电解决方案。
作者简介
Wenwei Li是位于马萨诸塞州切姆斯福德ADI公司的
电源
产品应用工程师。他于2014年在中国长沙获湖南大学的工学学士学位,于2016年在美国俄亥俄州哥伦布市获俄亥俄州立大学硕士学位。
关键词:
EETOP 官方微信
创芯大讲堂 在线教育
半导体创芯网 快讯
相关文章
上一篇:
混合式转换器简化数据中心和电信系统的
下一篇:
一种降低烟感产品误报率的解决方案
全部评论
最新资讯
贸泽电子推出聚焦节能设计的电源管理资源中
泰克荣膺三项行业大奖,测试测量方案领跑20
HBM4 量产,送样!
完全自主设计!印度首款1Ghz 64bit RISC-
日本成功开发1.4nm纳米“光刻机”
三星扩产!锁定博通
重磅!传NVIDIA考虑提高H200产量
重磅!SpaceX启动上市
近半世纪长盛不衰的模拟芯片传奇
113亿元,英特尔拟重磅收购!
最热资讯
干货!高速串行Serdes均衡之FFE
重新定义电池精度:Dynamic Z-Track™ 算
近半世纪长盛不衰的模拟芯片传奇
Vishay推出新款高性能且超薄的表面贴装聚合
Spacechips 推动创新型 AI 赋能卫星应用发展
Qorvo荣获荣耀“质量管理金牌奖”
理解ADC微分非线性(DNL)误差
官宣了!ADI 209亿美元正式收购美信!今年
ADI推出医疗与通信专用高速模数转换器AD9653
泰克推出扩展版MIPI M-PHY 接收器测试解决方案