x

烟雾报警系统2.0

2019-08-20 13:22:22 ADI公司,Christoph Kämmerer
点击关注->创芯网公众号,后台告知EETOP论坛用户名,奖励200信元
随着美国保险商实验室(UL)出台新规定,烟雾报警器标准有了很大的提高。例如,烟雾报警器现在必须能够识别出官方汉堡包燃烧测试和以聚氨酯等烟雾形式存在的实际威胁之间的细微差别。使用单色光源的传统烟雾报警器无法做到这一点,因此开发了新的解决方案ADPD188BI。

典型烟雾报警器包括探测器、具有算法的微控制器,以及扬声器、LED指示灯或一氧化碳传感器等其他元件。烟雾报警器中的基准测量遵循所谓的减光原理,如图1的原理图所示。测量光源(L)和探测器(D)之间因存在颗粒而导致的暗光或消光,然后使用新的UL法规进行评估。


图1.基准测量

经典烟雾报警器以离散方式设计,并通过向前散射发挥作用,其中特定波长的LED光(通常在红外范围内)被粒子散射到光电二极管上。如图2所示,LED和光电二极管之间的距离通常是几厘米。

图2.具有红外LED的向前散射系统。

但是,不管是烟雾报警器的离散式设计,还是测量方法,都有缺陷。主要缺陷是单色LED会导致更高的误报率,因为它会使区分不同的粒子变得更困难。此外,离散实施范围很大,功耗高。大量校准工作也是必要的。光学元件的技术日新月异,现在可以将LED和光电二极管以及光学前端集成到一个小外壳。

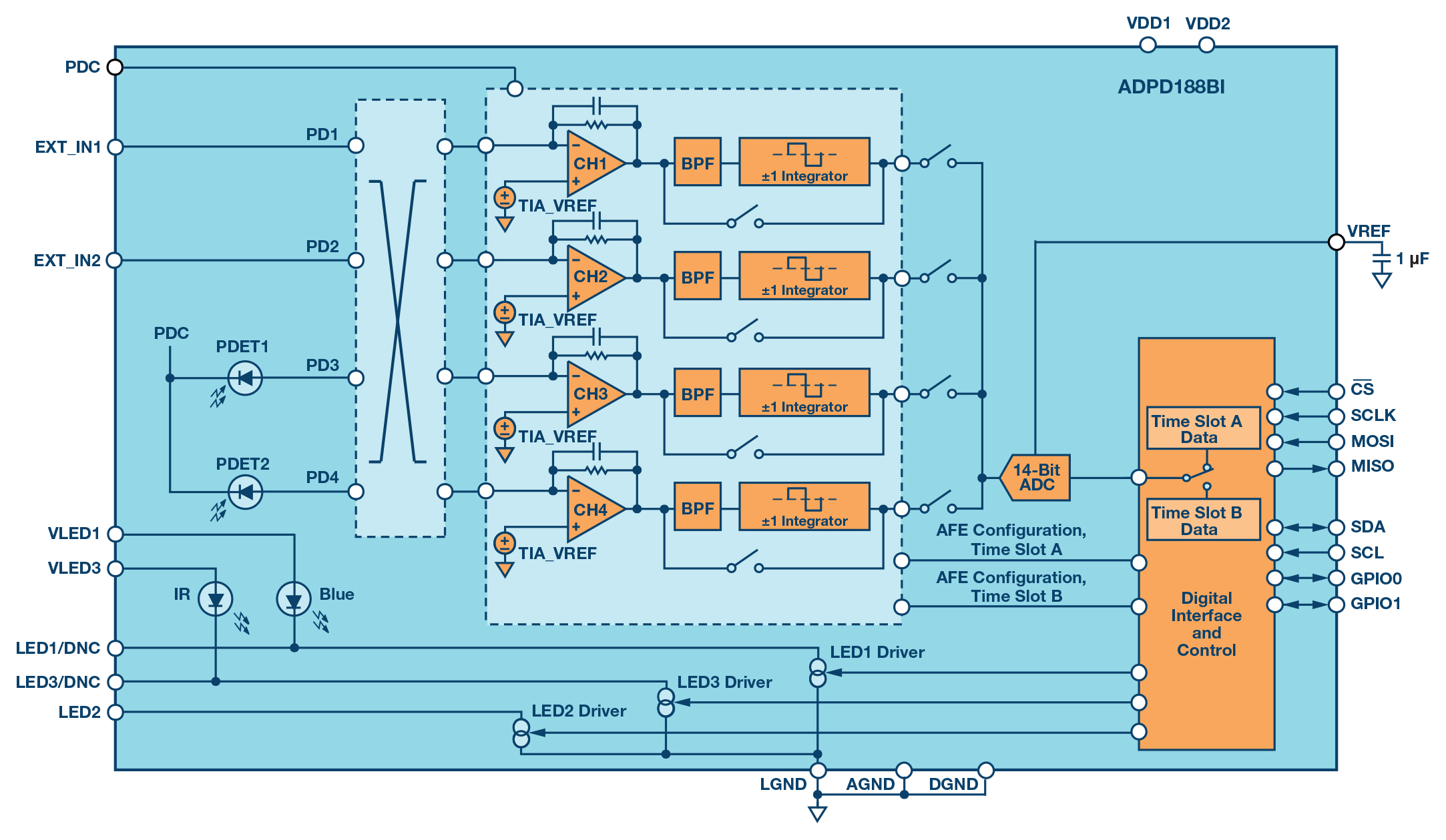
图3.ADPD188BI的功能框图。
 
ADI公司创建了这样一种技术:ADPD188BI。它有两个LED(蓝色和红外)、一个光电二极管,以及直接集成到单个单元中的模拟前端。使用波长不同的二极管意味着有两个不同的折射角,因此测量值更可靠。I2C或SPI上的数字输出支持与微控制器连接。关联框图如图3所示。有了集成LED、光电二极管和模拟前端,由于条件固定,就可以更轻松地校准系统。校准通常是单点校准,可纳入客户的下线测试。图4显示了左侧具有紧密集成的LED、模拟前端有光电二极管的ADPD188BI的原理图。如图中所示,完整信号链在单个5 mm × 3.8 mm芯片上实现。

 


图4.ADPD188BI的原理图。
 
ADPD188BI的工作原理是发射几微秒的LED短脉冲,然后被粒子散射回光电二极管。跨阻放大器将产生的电流转换为电压,带通滤波器滤除直流分量,积分器滤除来自高达80 dB的灯或太阳辐射的环境光的直流分量。之后,模数转换器将电压转换为数字信号。

这一原理有很多优势。使用两个LED可获得高动态范围和高SNR,从而减少误报;此外,LED短脉冲导致低功耗。两个二极管的双线测量也使探测更精确;也就是说,不仅正常烟雾和燃烧汉堡包之间有差别,正常烟雾和蒸汽之间也有差别。因此,也可在厨房和浴室安装并使用烟雾报警器。此外,由于条件预定以及物理尺寸减小,系统集成也意味着校准更容易。该系统不仅符合UL的前瞻性条例,而且使较小的无烟室设计能够更轻松地集成到任何房间。在此基础上,ADPD188BI通过新的测量系统,满足未来对安全性、成本和可靠性的所有要求。
 

作者简介


自2015年2月至今,Christoph Kämmerer一直在德国ADI公司任职。他于2014年毕业于埃尔朗根-纽伦堡大学,获得物理学硕士学位。然后在利默里克市ADI公司担任工艺开发实习生。2016年12月培训生项目结束后,Christoph正式成为ADI公司的现场应用工程师,专门针对新兴应用领域。

关键词:

  • EETOP 官方微信

  • 创芯大讲堂 在线教育

  • 半导体创芯网 快讯

全部评论