x

大联大品佳集团推出基于Richtek技术和产品的USB PD电源适配器解决方案

2016-05-12 17:00:28 n
点击关注->创芯网公众号,后台告知EETOP论坛用户名,奖励200信元

2016512日,致力于亚太地区市场的领先半导体元器件分销商---大联大控股宣布,其旗下品佳推出基于Richtek(立锜科技)的RT7786+RT7207USB-PD Controller。其中,RT7786为一次测反驰式AC/DC PWM ICRT7207为二次测高整合度USB-PD Controller IC

 

目前,USB 2.0的最大供给电为2.5W5V500mA),USB 3.04.5W5V900mA)。随后的“USB-BC”标准虽然提高了供给电力,但最大供给电力也只有7.5W5V1.5A)。而USB PDUSB Power Delivery Specification)是一个利用USB接口实现最大可供给100W电力的标准,可以承载更高的电压和电流,供电能力最高100W,分10W18W36W60W100W五级“规格”;电压采用5V12V20V;电流为1.5A2A3A5A。而且,USB-PD不仅可与最新的USB标准兼容,更可兼容之前的USB2.0

 


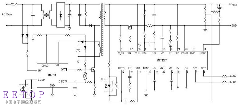
图示1-大联大品佳推出的基于Richtek(立锜科技)的RT7786+RT7207USB-PD解决方案系统框架图

 

根据IHS Technology预测,2016年全球采用Type-C的智能手机出货量将会接近1亿部,到2020年将会达到9.44亿,其中中国品牌的手机也将达到5.66亿部,占全球出货量的60%USB-PD功能将成为其中最大的亮点之一。因此,大联大品佳特别推出了基于Richtek(立锜科技)技术和产品的USB-PD解决方案。

 

大联大品佳代理的Richtek(立锜科技)RT7786+RT7207为一高整合度PWM +USB-PD Controller,它具备许多特征能提升低功率反驰式(Low-power Flyback)变压器的性能。特别针对于USB-PD的应用方面,已取得USB-PD 协会认证,能以最简化的回路设计完成,使用RT7786+RT7207将能够同时实现低成本、体积小、重量轻的产品设计。

 

为降低系统待机功耗,Richtek(立锜科技)采用了专有的Green-Mode 设计模式,以线性降频方式低于Light-Load 状态。不仅如此,使用专有的Green-Mode设计产品将更容易符合电源相关法规要求。RT7207为高整合度IC,同时内建CC/CVLDOTL431OVPOTPSRCable CompCharge PumpPMOS driveQuick DischargeSingle FaultPWM Off @ OVP等,所以无需再额外增加成本。

 


图示2-大联大品佳推出的基于Richtek(立锜科技)的RT7786+RT7207USB-PD解决方案开发板照片

 

RT7786 Features

• Designed for adaptive power 

• Wide Vdd Range ( 7V~38V) 

• Adaptive Vo OVP , UVP for < 3V 

• Feedback Loop Fault Protection 

• Adaptive Loop Gain for Loop Stability 

• Adoptive Current Limit to meet LPS

• High Efficiency

• CCM/QR Hybrid Control 

• Power Saving < 30mW @ 5V

• Other Protection 

• Vdd OVP, OCP, OLP, OTP, Adjustable Constant Output Power, Brown in/out protection, Secondary Rectifier Short Protection, Adaptive Vo OVP

 

RT7207 Features

• USB PD 2.0 Type-C Compliant , Other protocol is optional 

• Highly Integration 

ARM M0 MCU embedded 

• Transceiver embedded for BMC 

• Programmable Type C current mode setting. (default, 1.5A, 3A) 

• CV and CC Control 

• Synchronous rectifier driver and controller (Operate in both DCM and CCM for wide output voltage range (RT7207T)

• BLD pin for quick discharge 

• Shut regulator and Programmable cable compensation built in 

• Charge pump built in for wide VDD operation range ( 3V to 20V ) 

• USBP pin to directly drive external isolation P-MOSFETs  

• Green mode in standby for power saving 

• Protection 

• OTP, Adaptive OVP, Programmable UVP, SCP

  • EETOP 官方微信

  • 创芯大讲堂 在线教育

  • 半导体创芯网 快讯

全部评论