集创北方LED恒流驱动IC——技术升级,性能为王
2016-04-25 18:15:12 未知对于炫彩夺目的LED显示屏来说,驱动IC更像是一位默默奉献的“幕后英雄”,它肩负着高效率、高稳定性、高精度、长寿命等重要使命。也正是这位“幕后英雄”,直接决定了LED显示屏的使用体验。集创北方作为LED显示驱动领域市场占有率第一的玩家,为推动行业的发展和技术的进步,在追求产品极致性价比的道路上不断探索着。近日,集创北方推出了最新的16路双缓存恒流输出LED驱动芯片ICN2028,有效提升了显示刷新率,使性能有了更进一步的提升。
ICN2028有哪些不同?
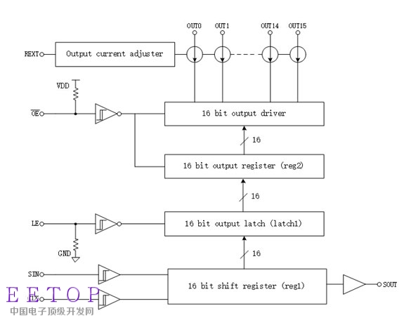
ICN2028是一款专为LED显示屏设计的驱动IC,采用16路恒流灌电流输出,它集成了“Noise FreeTM”技术,具有极佳的抗干扰特性,使恒流及低灰效果不受PCB板的影响。并可选用不同的外挂电阻对输出级电流大小进行调节,精确控制LED的发光亮度。
图1:ICN2028方框图。
ICN2028采用了精确电流驱动控制技术,同一芯片的不同通道间,不同芯片之间的电流差异极小。
1) 通道间电流差异<±1.3%,芯片间的电流差异<±2.5%。
2) 具有不受负载端电压影响的电流输出特性,如图2所示。输出电流将不随LED 顺向电压VF的变化而变化。

图2:ICN2028电流输出特性。
ICN2028在显示过程中(OE=0)会缓存16bit显示数据,所以系统在ICN2028显示的过程中可以再继续存入16bit串行数据,相比通用恒流源芯片,刷新率可以提高50%以上。
ICN2028内部采用了电流精确控制技术,可使片间误差低于±2.5%,通道间误差低于±1.3%。ICN2028与上一代ICN2025/26的性能对比见下表。
表1:恒流驱动ICN2025/26/28性能对比。
ICN2028在原有ICN2025的基础上加入双锁存,可更好地利用数据传输与显示时间的空当,有效提高了显示的刷新率。当然,ICN2028也可以不使用双锁存功能,仅作为普通恒流驱动来使用。
ICN2028采用低压工艺并内置电压钳位保护电路,可以有效降低显示时灯珠所承受的反向电压,从而达到保护灯珠、延长灯珠使用寿命的功能。
ICN2028如何提高显示刷新率?
通用恒流芯片在数据传输及数据显示如图3所示,数据传输及数据显示利用率低的原因:
1. 当显示一个高位数据的时候,数据显示的时间可能会比数据传输的时间大得多,在数据显示多余的时间内不能进行数据传输。
2.当显示一个低位数据的时候,数据显示的时间可能会比数据传输的时间小得多,在数据传输多余的时间内不能进行数据显示。

图3:通用恒流源驱动芯片数据传送及数据显示时序图。
ICN2028数据传送及数据显示时序见图4。data(A)和data(C)为高位数据,data(B)和data(D)高低位数据。将显示数据高低位按时间进行组合,使显示高位数据多余时间可以利用起来进行数据传送,或者说利用传数据的时间来进行高位的显示,将传数据和显示数据完美的配合起来,可以有效地提高显示刷新率,基本步骤如下:
1. 当data(A)传送完成后,在LE上产生一个latch信号,锁存data(A)
2. 完成data(A) 锁存后,由1~>0,寄存data(A)并显示data(A)OE
3. 在显示data(A)的同时,对data(B)进行传送
4. data(B)传送完成后,由LE产生latch信号,锁存data(B),并接着传送data(C)
5. 完成data(A)的显示后,寄存data(B)并显示data(B)
6. 完成data(C)的传送,完成data(B)的显示
7. 寄存data(C)和传送data(D),(同步骤1)

图4:ICN2028数据传送及数据显示时序图。
ICN2028的关键特性
Ø 16路恒流灌电流输出
Ø 输出电流设定范围:
0.5~45mA@VDD=5V
0.5~25mA@VDD=3.3V
Ø 电流精度
通道间:±0.7%(典型值)±1.3%(最大值)
芯片间:±1.1%(典型值)±2.5%(最大值)
Ø 快速输出电流响应(最小值):60ns@VDD=5VOE
Ø I/O施密特触发器触发输入
Ø 最大数据传输频率:30MHz
Ø 芯片工作电压:VDD=3.3~6V
Ø 工作温度范围:-40℃~85℃
Ø 具有极佳的抗干扰能力和低灰度效果
Ø 集成双缓存,刷新率比通用恒流芯片提高50%以上
Ø 通道内集成双向钳位保护电路,能够有效减少灯珠的损坏