隔离式状态监控通道之间的相位匹配:DAQ μModule应用
2024-08-13 15:04:36 EETOP摘要
能够同时通过多个传感器捕获数据的状态监控系统,通常使用通道间隔离解决方案来消除接地环路。由于元件容差,板级分立信号链存在较大的通道间相位失配误差,但ADI公司的精密信号链μModule®解决方案采用ADI的集成无源器件(iPassives™)技术,有效降低了相位失配误差。
简介
状态监控(CM)系统在制造、航空航天、医疗健康和基础设施等各种行业中发挥着至关重要的作用。此类系统帮助检测和分析各种情况,确保资产和机械的安全性、可靠性和性能。监控的主要参数之一是振动,振动信号的幅度、频率和相位包含大量有关资产状况的信息。
本文阐释了CM系统中准确相位测量的重要性,以及其在涉及多个同步采样通道的数据采集(DAQ)应用中面临的挑战。本文讨论了多种传统解决方案,同时介绍了一种创新方法,它能使相位匹配性能达到全新水平。
架构
CM系统由多个传感器或变换器组成。许多系统采用集中式系统架构,每个传感器通过模拟电缆连接到DAQ解决方案的一个通道或输入1。

图1.集中式DAQ架构1
传感器类型众多,可测量振动、声音和电流等参数。传感器可以在单个资产设备的多个点和轴上收集数据,甚至可以在多个独立资产设备上同时收集数据2。来自这些渠道的数据经过处理,可让我们深入了解系统行为,例如预测机器故障,防患于未然,或在问题恶化前提前安排维护工作。
用例
第一个用例是CM系统对来自两个或更多正交传感器的数据进行相位分析,以监测机器运行和异常,例如失衡、中心偏移和底角松动等。我们可以使用其中一个传感器的相位作为参考来确定故障位置,而无需使用转速计3。

图2.应用:使用相位分析确定故障的类型和位置
在多轴检测中,保留信号捕获之间相对恒定的时间延迟对于时间和频率信息的后处理至关重要。换句话说,信号需要同步采样且通道间相位匹配,以保留幅度和相位(时间)域信息。否则,传感器之间的相位角测量会不准确。CM系统供应商的相位匹配规格在20 kHz时可以低至1°,其中甚至包括隔离电路的延迟和抖动。
而多通道同步采样Σ-Δ ADC(如ADI的AD7768-4或AD4134)可有助于实现此目标。参见表1。相比逐次逼近寄存器(SAR)型ADC,Σ-Δ ADC具有更高的DC至100 kHz分辨率和适合振动信号时域与频域分析的滤波功能,因而在CM应用中更受青睐。欲了解更多信息,请参阅文章“状态监控系统设计选项及其对信号链实施方案的影响”1。
AD7768/AD7768-4 | AD4134 | |
20 kHz时通道间相位匹配(最大值) | 未测量 | 0.024° |
20 kHz时相位校准分辨率 | 0.88° | 0.3° |
然而,使用离散时间Σ-Δ(DTSD) ADC(如AD7768-4)时,信号链可能出现相位失配误差。DTSD ADC无法抑制其采样频率倍数处的混叠,因此系统容易受到带外干扰的影响,目标CM信号可能会受到破坏。为了改善这些频率处的抑制效果,ADC驱动器级采用模拟抗混叠滤波器设计(图3,通常为三阶或更高阶),同时使带内幅度误差保持最小。例如,设计用于在16 MHz(采样频率)和160 kHz -3dB(输入带宽)下实现-80 dB抑制的二阶巴特沃兹滤波器,即使RC失配容差低至1%,在20 kHz时也可能存在±0.15°的相位失配4。
对于连续时间Σ-Δ(CTSD) ADC(如AD4134)来说,这不是问题,因为其在通带之外不受干扰,故而无需模拟抗混叠滤波器。然而,DTSD和CTSD关键区别在于,前者在功耗调节方面更灵活。此外,可能还有其他原因造成延迟,例如输入放大器和隔离电路。

图3.相位失配误差源
为了解决此问题,这两种多通道IC都有相位校准寄存器,可根据每个通道在不同频率和温度下的延迟(比1/Fsampling更准确,在20 kHz时约为0.5°),调整每个通道的相位(表1)。总体而言,多通道同步采样ADC虽然存在局限性,但在大多数情况下都能满足需求。
接地环路和隔离需求
考虑同时监测单台机器的不同部分,甚至监测不同的机器。在此系统中,我们需要仔细考虑接地环路。

图4.加速度计在安装中接地不当5
仪器仪表使用接地和屏蔽来保护测量信号免受噪声和杂散电磁场的影响。用于连接传感器和DAQ解决方案的电缆通常是屏蔽双绞线,其中屏蔽层从传感器侧接地,或者从DAQ侧接地。
例如,如果(1)传感器有一条接地路径,(2)DAQ也有另外一条接地路径,并且(3)电缆屏蔽层从两侧接地,则会形成接地环路(图4)。接地环路让电流可以沿着屏蔽层流动。因此,屏蔽层上来自电源线和附近机械的感应电流可能会将干扰耦合到信号线上。为了正确接地,理想情况下从系统中的任何点到地应该只有一条低阻抗路径。接地系统设计需要考虑应用、环境和传感器的隔离类型。

图5.正确接地:在仪器仪表处接地,在加速度计处隔离5
加速度计可以是(a)外壳接地、(b)外壳隔离或(c)接地隔离6。
(a) 外壳接地的加速度计连接到导电表面时,会有一条接地路径。单通道系统仅要求隔离DAQ。但对于多通道系统,多个传感器的接地会形成接地环路。
(b) 为了避免这个问题,推荐采用隔离传感器和接地多通道DAQ解决方案(图5)。许多加速度计具有基本的外壳隔离,检测元件通常通过有涂层的焊盘与传感器外壳隔离。
(c) 其他加速度计则采用各种技术实现与安装表面的接地隔离。
i. 粘合剂安装可实现不同程度的隔离,具体取决于粘合剂的厚度。
ii. 整体式外壳隔离和隔离安装通常需要较高/额外的成本,但在危险环境中,例如存在雷击风险的风力涡轮机,这种隔离可能是必要的。
总而言之,在隔离传感器的同时让DAQ接地可以解决接地环路问题,但成本可能较高。

图6.外壳隔离的加速度计和隔离底座6
为了避免隔离传感器的高成本,也可以考虑使用多个单通道ADC(如AD7768-1)和隔离电路(图7)。要在传感器侧接地,传感器外壳可用作接地点。这样,DAQ解决方案可独立配置、可扩展且适用于更广泛的应用场景。

图7.正确接地:在仪器仪表处隔离,在加速度计处接地5
您可能已经意识到了:这又要解决主要由模拟AAF引起的通道之间相位失配较大的问题。
若无同步采样和相位校准寄存器,便只能通过时序进行校准,以减小相位失配误差。FPGA可以控制每个通道开始捕获数据的时序,但需要高频时钟和相位/延迟锁定环,这会大幅增加DAQ解决方案的复杂性。
μModule提供封装级的相位匹配解决方案。
μModule解决方案将完整的信号链集成到系统级封装(SIP)中,因此仅需一份数据手册就能说明整个信号链的性能。该方案不仅消除了冷焊料和BOM(物料清单)可用性等重大PCB组装问题,而且通过ADI的集成无源器件(iPassives)技术提高了性能,使客户能够应对相位匹配等复杂的系统级挑战。
ADI公司的ADAQ7768-1是一款单通道μModule DAQ系统,适合CM应用。其中包括一个36 V可编程增益仪表放大器(PGIA)、一个四阶有源抗混叠滤波器(AAF)和一个具有与AD7768-1相同特性的24位DTSD ADC。

图8.ADAQ7768-1功能框图
ADAQ7768-1利用iPassives网络提供四阶模拟AAF,能够实现精准的器件间相位匹配性能,堪比同步采样ADC及其相位校准分辨率,如表2和图9所示。图10说明了iPassives网络如何从制造开始实现精准匹配,其中电阻差异通过颜色渐变来表示。iPassives电阻容差可以低于0.1%,而电阻温度系数(TCR)匹配误差可以小于1 ppm/℃,这意味着设计好的RC滤波器带宽可在整个温度范围内保持稳定。凭借iPassives网络,μModule解决方案通过BOM和组件方法解决了相位失配问题,使性能突破了传统分立信号链的限制,达到全新水平。
AD7768/ AD7768-4 | AD4134 | ADAQ7768-1 | ADAQ7767-1 | |
20 kHz时通道间相位匹配(最大值)* |
0.024° |
0.22° |
0.20° | |
20 kHz时相位校准分辨率 | 0.88° | 0.3° |
*ADAQ776x-1相位失配最大值 = 6Σ(典型值 =±1Σ)
*相位匹配 = 相位失配 * 2

图9.在20 kHz时和整个温度范围内的ADAQ7768-1器件间相位角失配,归一化为25℃时的平均值

图10.相较于分立电阻,ADI的iPassives电阻具有更严格的容差和匹配性能7
同类产品和区别
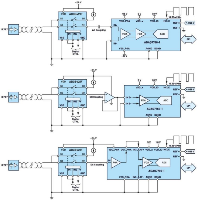
除了ADAQ7768-1外,还有其他大类产品使用相同的集成ADC,即ADAQ7767-1和ADAQ7769-1(图11)。

图11.与IEPE传感器一起使用的各种ADAQ776x-1大类产品
ADAQ7768-1内置一个全差分PGIA。由于具有高阻抗和低输入偏置电流,它可直接连接到各种传感器。不同于传统的电压反馈放大器,集成PGIA在所有增益设置下保持几乎相同的带宽,无论增益如何设置都能实现严格的器件间相位匹配。
ADAQ7767-1不提供集成输入放大器,从而降低成本,让客户可以采用定制的输入信号调理方案。该器件有三个输入范围,单端输入的最大范围为±24 V,支持直流耦合IEPE传感器架构和更简单的电源解决方案。
ADAQ7769-1在ADAQ7767-1基础上增加了单端可编程增益低噪声放大器。单端输入范围仍为±24 V,支持直流耦合IEPE传感器架构并提供更完整的解决方案。
为了充分发挥这些产品的相位匹配性能,器件必须遵循适当的同步方法。虽然存在同步各种产品的通用方法,但某些器件可以采用专属同步方式,这通常会为整个系统带来益处。
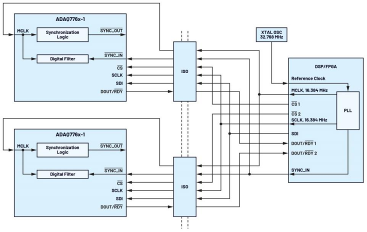
一般来说,许多SD ADC提供了SYNC或SYNC_IN引脚,允许控制器同步彼此独立但通常相似的ADC。在时间敏感的ADC中,这通常要求SYNC脉冲与共享控制器时钟(MCLK)同步。否则,抖动和传输延迟可能会导致一个器件的同步触发信号会比其他器件延后一个MCLK周期。图12解释了如何使用来自控制器的SYNC_IN脉冲同步各ADAQ776x-1,理想情况下此脉冲与系统MCLK保持一致。

图12.使用与MCLK保持一致的SYNC_IN来同步通道间隔离系统中的ADAQ776x-1器件
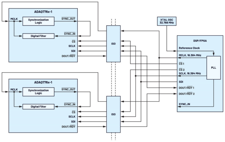
由于CM应用中的同步和相位匹配要求,ADAQ776x-1和AD7768-1大类产品包含引脚,当由GPIO = SYNC_OUT输入脉冲或通过SPI写操作触发时,该引脚会输出脉冲。在这两种情况下,SYNC_OUT脉冲随后可以馈入SYNC_IN引脚,触发有效数据转换开始。
为了减少通道间隔离系统中隔离数字走线的数量,建议使用第二种方法,从同一SPI输入线(SDI)对所有器件执行SPI写操作,从而启动SYNC_OUT脉冲,由此便可实现同步,如图13所示。
这里假设所有通道有一个共同MCLK,理想情况下它与SPI时钟(SCLK)同步,以避免延迟触发。这种方案无需来自控制器的隔离SYNC_IN或START线。为进一步减少数字隔离线路,ADAQ776x-1和AD7768-1大类产品可将数据就绪信号(DRDY或RDY)与输出数据(DOUT)结合在同一线路中。

图13.使用SPI写操作同步通道间隔离系统中的ADAQ776x-1器件
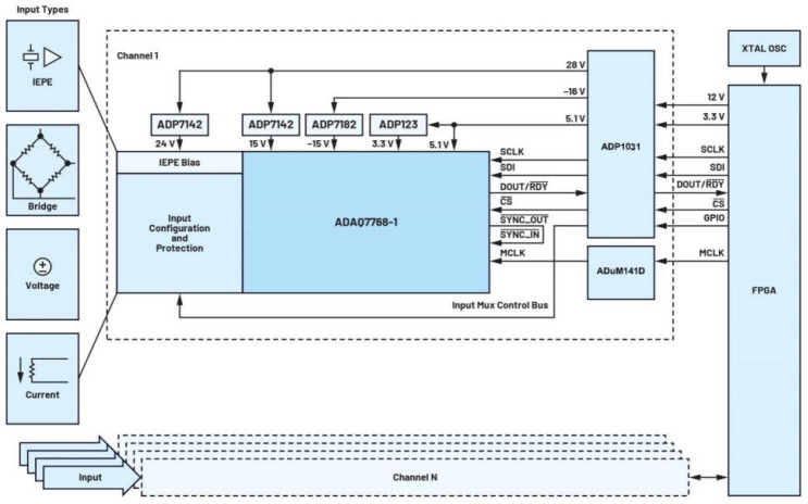
图14为采用ADAQ7768-1的通道间隔离高性能DAQ解决方案,其中使用ADP1031作为隔离电源解决方案,为所有供电轨供电,并使用ADuM141D提供额外的隔离数字走线。

图14.采用ADAQ7768-1的通道间隔离高性能DAQ解决方案
结论
由ADAQ776x-1的隔离单通道组成的CM系统是一种经济高效的解决方案,可提供堪比同步采样SD ADC的相位匹配性能。μModule解决方案利用ADI iPassives技术提供的精密电阻来解决RC抗混叠滤波器引入的相位匹配问题。
致谢
感谢John Healy和Naiqian Ren对本文的技术贡献。
参考文献
1 Naiqian Ren,“状态监控系统设计选项及其对信号链实施方案的影响”,ADI公司,2021年10月。
2 Gabriele Ribichini,“高压电抗器振动测试”,DEWESoft®,2023年2月。
3 Tony DeMatteo,“相位分析:轻松进行振动分析”,Ludeca,2010年10月。
4 “连续时间Σ-Δ (CTSD)精密ADC迷你教程”,ADI公司,2022年12月。
5 “振动传感器接线和布线”,Wilcoxon Sensing Technologies。
6 “振动基础原理”,PCB Piezotronics。
7 Mark Murphy和Pat McGuinness,“使用微型模块SIP中的集成无源器件”,《模拟对话》,第52卷,第10期,2018年10月。
8 Pete Sopcik和Dara O'Sullivan,“传感器性能如何支持状态监控解决方案”,《模拟对话》,第53卷第6期,2019年6月。