量能要音素箱:剖设析计设中计的的重利要与考弊
2019-03-29 13:41:29 德州仪器根据市场调研公司eMarketer的数据显示,2017年,3,560万美国消费者每个月至少使用一次声控设备,并且该数字以近50%的复合年均增长率增长。
未来的市场预测也比较乐观。Juniper Research预测,到2022年,大多数美国家庭中都将安装Amazon Echo、Google Home、Apple HomePod和Sonos One等智能设备。他们还预测,将会有7,000万家庭在家中安装至少其中一种智能音箱,设备安装总量将超过 1.75亿台。对于一个在 2014年11月之前还不存在的产品类别来说,这尤其令人印象深刻。
但相比于与互联网接口结合使用的麦克风和扬声器, 这些外形看似简单的设备往往更复杂。智能音箱包含许多电子功能,这些功能均通过采用数十种复杂的集成电路(IC) 来实现。原始设备制造商 (OEM) 凭借差异化产品进入智能扬声器市场,他们必须决定要提供哪些设备、如何进行提供以及此类小型低功耗设备中可采用的折衷方案。
智能音箱的实际作用有哪些?如何在家庭中使用智能音箱?简而言之,智能音箱首先通过捕获终端用户的语音指令并将其数字化,再将结果传输给基于网络连接的云服务进行解读,然后通过操作指令或响应结果对终端用户做出响应。智能音箱也可以从具备网络或Bluetooth? 连接设备搜索并播放音频内容。如图 1 所示,现在许多智能音箱都可以与家中的其他设备交互,如灯、门锁和温度控制系统等。
OEM厂商不单单只是希望他们的产品在这一过程中能够脱颖而出;更多的是,它们希望以此获取房间,甚或是整个住宅的信息访问和传输的控制权,从而成为唯一的数字化媒体和家庭自动化集线器。

图 1.作为一种媒体播放器,智能音箱必须设计简单、外形优雅,且能提供良好的音质,作为一种智能家居集线器,它们必须为家庭中的整套智能设备提供准确的语音识别和连接。
让智能音箱成为现实
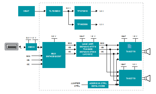
智能音箱需要大量电路才能实现其正常并良好地运行。要实现这一目标,我们便需要一系列复杂的模拟、数字、混合信号和电源管理子系统、接口等,并让其实现互连(图 2)。
除此之外,我们还有许多设计问题需要解决,如麦克风、音频输出和扬声器、电源管理、用户界面以及无线连接应采用何种数量和类型。对于 OEM厂商来说, 首要问题便是是否使用“黑盒”芯片组,其中包括用于音频解码和信号处理的片上系统(SoC)、集成 Wi-Fi?和蓝牙无线电的微控制器(MCU)。有的时候,这还包括自定义电源管理IC (PMIC)。然而,这种“罐装”式解决方案不能为产品差异化提供太多设计空间。现在就让我们一起来看看智能音箱系统中的设计领域和挑战。

图 2.TI智能音箱系统方框图
麦克风
选择麦克风技术时,每种技术的利与弊可能并不明显。对此,我们可以选择以下任意一种方案:
基于微电子机械系统(MEMS) 的“模拟”麦克风。它带有集成前置放大器,搭配外部 24 位音频模数转换器(ADC),可将格式化数字代码输出到 SoC。
基于MEMS 的“数字”麦克风。它带有单比特一阶Δ-Σ 调制器ADC,可输出脉宽调制 (PDM) 数字比特流,需要进一步滤波以创建格式化数字代码。无论是专用于语音识别的SoC ,还是数字信号处理器(DSP) 都必须处理这种滤波。独立的语音 DSP 可减轻SoC 的大量处理工作,却也会增加成本。
数字麦克风的价格比模拟麦克风更昂贵,但模拟麦克风的 SoC前端也将需要额外配有的 ADC。鉴于传感器尺寸需适应麦克风封装内的 ADC以及集成 ADC本身的性能限制,与带有单独 ADC的模拟麦克风比较起来,数字麦克风还具有较低的信噪比 (SNR) 和较小的动态范围。常见的数字麦克风的SNR约为65dB, 动态范围约为104db。当ADC集成后,我们就无法通过滤波和过采样进一步提高SNR或动态范围。
另一方面,模拟麦克风与外部ADC相结合,其SNR或动态范围(两者在ADC中的意义等同)可高达120dB。这种外部ADC通常是24位多通道高精度音频ADC,采用具有高过采样功能的三阶或四阶Δ-Σ调制器。它们还集成了复杂的可编程数字抽取滤波器;具有可配置的自动增益控制功能的PGA以及用于额外噪声过滤和均衡的微型DSP。如果在典型的拥挤房间内或正在播放音乐的房间内,周围环境中的声音级别很容易达到60dB,除非终端用户靠近麦克风或者使用更多的麦克风来使其指令远高于环境音, 否则,数字麦克风的较低动态范围就可能导致无法正确识别语音指令,动态范围从104dB提升至120dB,将会带来惊人的效果,这需要我们认真考虑。如果我们将动态范围提高 6dB ,那就可以让语音识别范围扩大一倍。在某些时候,过多地扩大动态范围是不切实际或是无用的,但您也可以凭此获取更多的设计空间。额外增加 14dB 的动态范围后,您可以通过减少所需的麦克风数量来节约成本。增加字麦克风后, 除了会增加成本外,系统还会按照 SoC 自身可用的PDM 输入数量将每对麦克风的三条信号迹线(数据和时钟)路由到 SoC,进而增加了布局复杂性,因此 这是不可行的。事实是,每条信号迹线都会接受和/或 辐射噪声,这会让电磁干扰成为更大的问题。最后,运行至每个数字麦克风的时钟线路会造成路由和抖动方面的难题。目前模拟麦克风具有不同的输出,支持对信号布线的共模抑制。ADC 还为每个麦克风提供偏置电源,可为阵列降低电源树的复杂性。

图 3.圆形麦克风板参考设计
使用配有精密ADC 的模拟麦克风可以扩大麦克风范围并提高敏感度,不仅可以降低成本和复杂性,还可以显著减少在各种噪声环境下指令识别错误。随着第二代智能音箱的推出,这一错误率将逐渐成为一项重要的市场优势。
在采用多麦克风设计和语音识别时,我们也无需重新设计。基于PCM1864 的TI 圆形麦克风板(CMB) 参考设计(如图 3 所示)使用两个 4 通道音频ADC 与一组模拟麦克风(最多含八个)连接,并且可以在嘈杂的环境中提取清晰的用户语音指令。
扬声器放大器和电源
对于扬声器放大器,您需要在输出功率(通常介于5W 和 25W 之间)、功耗、热性能、尺寸、扬声器保护以及声音保真之间进行权衡。
带有一个中程高频扬声器和低音扬声器的简易扬声器系统可以产生出色的音质,同时,如果结合使用最新的音频处理技术,多个扬声器可提供 360 度音频体验。
您也可以选择执行一次性室内校准以调整并以最佳方式匹配扬声器的频谱特性,或者采用更复杂的自适应调节方法补偿声区内的音效。TI PurePath控制台图形开发套件可以提供简单的一次性调优并达到 出色的效果。
在功耗和热性能方面,降低持续功耗的一种方法是将放大器脉宽调制方案与自适应电源相结合来降低扬声器的电源要求。这种技术对 D 类输出使用可变(非固定)开关频率,同时基于音频内容更改频率。也就是说,内容越多,开关频率就越高;内容越少,开关频率就越低。
为了提高效率,您也可以根据内容动态调整放大器的输出电源电压。这种技术称为包络跟踪。它仅在音乐 需要提高功率时跟踪音频内容并提高电压(输出功率),特别是在重低音部分(信号内容中有许多峰值)。
数字输入、D类、IV感应音频放大器的立体声评估模块参考设计(如图 4所示)不仅接受多种格式的数字输入并提供高质量音频,其 D 类拓扑还包括其他功能, 可以最大程度地降低多个输出级别的功耗,而不会降低保真度和性能。
电源管理
与大部分电子系统一样,电源管理在系统设计中发挥 着重要作用。我们的最终目标是有效地提供电源以减 少热耗散,从而实现外形更小、成本更低的系统,并延长便携式系统的电池运行时间。SoC和Wi-Fi 芯片组有时与专用PMIC绑定在一起,但您仍可能会更倾向于通过使用单独的直流/直流转换器、低压降稳压器和电压监控器来修改功能(如定序)、更改电路板布局 并降低噪声和/或成本,来增加电路板布局空间并提高分立式实现的供应商灵活性。

图 4.立体声评估模块参考设计
除了固定的集成解决方案提供的功能(例如以较低的静态电流运行或使用较高的开关频率(如 1.4MHz 至4MHz)以外,您可能还希望优化设计来降低占用空间,以满足对更小电感器的需求。或者您也可以使用脉冲跳跃或ECO 模式以在轻负荷下节省电力,同时, 请不要将音频频带切换到 20kHz 以下(这可能会导致可闻噪声)。此外,您还可能需要系统输入电压具备灵活性。这些放大器需要 12V至 24V电源,该电源可通过内部电源或外部电源适配器提供。
内部交流/直流电源可以提供主电源,但输出电压为12V 或 5V 的外部交流/直流壁式适配器更为常用,具体取决于所需的扬声器电源。可以通过适用于低功率扬声器的微型USB 接口或适用于高功率扬声器的新型的流线型USB Type-C? 来提供主电源,取代笨重的传统壁式交流/直流适配器和桶形插座。由于这些适配器的功率级别不同,使用 USB Type-C 需要从扬声器到适配器的某种级别的握手,或者采用输入USB 电流限位开关或具有集成式过流和过压保护的电池充电器。
对于便携式音箱,一种称为电源路径管理的技术支持使用外部交流/直流壁式适配器为电池充电,同时通过一个集成式调节器为扬声器“实时”充电。如果您需要更高的扬声器放大器电源轨(如 12V 或 18V),一种选择是使用两节 8V 电池,然后根据扬声器放大器的需要提高电压。电池充电器需要将输入电压提升到更高的电池电压(如果适配器输出电压为 5V),并且您需要对扬声器放大器电源轨使用额外的升压转换器, 以在峰值功率的条件下实现更高的电压。此外,便携式智能音箱系统必须具有低待机功耗等级和有效的降压转换器,以实现在电池是唯一的电源时,可在充电周期之间提供更长的运行时间。
由于音箱是主要电源消耗设备,因此与其放大器需求紧密相关的电源可实现具有成本效益的低功耗设计。适用于音频功率放大器的包络跟踪电源参考设计(如图 5 所示)就是此类解决方案的一个很好的示例:它以 5.4V 至 8.4V 的输入电压轨运行,并向 8Ω 负载提供 2 × 20W 功率(使用 7.2V 电源轨)。此外,它可以按照音频信号的峰间包络更改输出电压,从而在输出电压范围内保持高效率。因此,它根据音频内容动态 调整功率放大器的电源,从而优化其功耗。

图 5.包络跟踪电源参考设计
用户界面
您必须根据所需的终端用户体验决定提供哪种类型的用户界面,因为人机界面是智能音箱市场差异化的一个主要因素。这种界面可能包括成本较低的简单按钮和单指示器LED、旋转 LED 阵列、小型 LCD 显示屏以及具有触控输入和触觉反馈功能的LCD 显示屏。
LED 基本用于指示状态,最近也用于通过以各种图案生成动态颜色来提高终端用户体验。较简单的系统可能使用单色LED,但大部分系统使用红、绿、蓝 (RGB)LED。如果您选择多色 LED,则需要确定使用多少个 RGB LED,以及系统处理器、MCU 或装有集成式LED引擎的新型多LED 驱动器是否会控制它们。每种选择均需权衡成本、电源和系统方面的考量。使用集成式LED 图形引擎可以在处理器管理图形生成时减轻其负担,并在处理器或 MCU 进入低功耗待机模式时驱动RGB LED 阵列。
如图 6 所示,各种LED 环形灯照明图案参考设计说明了如何使用装有集成式LED 引擎的新型多通道RGB LED 驱动器设计多色RGB LED 环形灯图形子系统。使用环境光传感器 IC 可自动控制LED 亮度。
相应面板按钮的价格可能很低,但它们更容易出现机械故障且只具备单一功能。这种按钮需要终端用户“ 按住”才能执行操作(向上、向下、滚动),在智能手机领域,这种操作已经过时且与有悖于常规使用习惯 的。相比之下,电容式触控的敏感表面可支持更多交互并可以增强用户界面功能。这种触控方式的表面无需物理外力即可检测到终端用户的接近,并支持背光在黑暗环境中更易于使用。与简单的按压不同的是, 触控敏感表面可通过支持“轻滑”或“旋转”,让用户更易于接触到熟悉的界面,从而能够让智能音箱脱颖而出。设计合理的电容式触控控制器可在各种表面,如塑料、玻璃或金属材质上运行,并且可以与音箱外壳表面齐平。
基于手势的电容式触控扬声器界面参考设计(如图 7 所示)提供了一种易于使用的评估系统,用于使用 TI 电容式触控MCU 的智能扬声器的多手势电容式触控界面。此设计支持点击、轻滑、滑动和旋转手势。
无线连接
最后,还有一个基本的开箱使用问题。如果未连接到互联网,智能扬声器将无法正常工作。考虑到速度要求和功率限制,我们将为您提供有关最佳连接方式的设计决策。
最常见的智能音箱可通过Wi-Fi 直接连接到互联网。在这里,IEEE 802.11n 的宽带绰绰有余,它还支持多室无线扬声器网状连接。不过,Wi-Fi 功率放大器会消耗大量功率,可能会限制电池供电的智能音箱的运行时间。因此,支持 Wi-Fi 连接的音箱通常直接插入到壁装电源插座或装有支持持续运行的交流适配器。
为了能够尽可能多的覆盖到房间或提升立体声音质, 用户往往会希望使用多个智能扬声器装置,这就需要IEEE 802.11n/s 的宽带支持来实现网状网络。在网状网络中,任何一个扬声器均可以在其他扬声器用作从属方时成为主控方(连接到云)。如果作为主控方运行的扬声器断电或断网,网状网络将自动分配其他扬声器作为主控方。而在多扬声器网状网络中,最大问题是同步网状网络中的Wi-Fi 控制器必须具有可靠的同步方案,以避免为用户带来麻烦。

图 6.各种LED 环形灯照明图案参考设计
电池供电的便携式音箱可能会将Wi-Fi 云连接转移到附近的移动设备上。如果要连接到移动设备以实现间接云连接和/或收听移动设备上存储的内容,则需要使用传统蓝牙(或蓝牙基本速率)来实现持续连接, 以对音频内容进行流处理,这是由低功耗蓝牙的宽带限制和电源方案所致。当与传统蓝牙配合使用时,低功耗蓝牙可以控制设备之间的通信。
家庭自动化是目前作为单独实体存在于许多家庭中的另一个功能。作为一种独立集线器,它可以通过Wi-Fi 连接到互联网,也可以通过对家庭自动化(根据Zigbee?、Thread、Z-wave 等标准实施)设置无线网状网络与专用灯具和恒温器实现链接。只要具备这一附加独立集线器,智能音箱就可以合理地宣布通过互联网提供家庭自动化。

图 7.基于手势的电容式触控界面参考设计
但是,为了让终端用户无需购买这种额外的无线集线器,智能音箱可以简单地添加带有集成式射频功率放大器的多频带无线 MCU,从而成为家庭自动化集线器。无线 MCU 处理协议栈操作并控制无线电,避免加重现有 SoC 或 Wi-Fi 网络处理器的负担,同时支持通过常用的远距离家庭自动化协议(包括 2.4GHz 和低于 1GHz 的频带)进行通信。因为 Wi-Fi 和蓝牙也使用 2.4GHz 频带,所以您需要通过集成式无线 MCU 中内置的硬件和软件的组合来确保两者共存。
展望未来
未来的智能音箱将不只是仅供音频使用的独立设备。由于平板电视更加轻薄,意味着需要更小的扬声器,这将会对电视声音产生负面影响。因此,可增强平板电视音效的条形音箱将日渐普及。添加语音识别功能很显然是条形音箱发展的下一步。
要实现这一愿景,智能条形音箱将需要包含一个用于无线视频流的机顶盒,同时仅有一条 HDMI 电缆连接到电视,电视则被作为巨大的显示器来使用。由于平板电视更加轻薄,电视控制线路和电源也可以在智能条形音箱中实现。然后,智能音箱和智能条形音箱将争相成为整个家庭娱乐系统的集线器。添加家庭自动化连接后,这些设备也将争相成为智能家居的自动化集线器。
另一个新增功能是智能音箱显示屏。向智能扬声器添加显示屏是对其功能的自然扩展。正如汽车中不断增加中控台显示屏,消费者也要求家庭信息化/娱乐设备提供额外的视觉体验。我们还可以看到的是,内容的请求和显示方式将不同于手持智能手机或平板电脑体验。由于语音指令是请求内容和控制的主要模式,因此我们将需要使用简化的搜索和控制应用来帮助快速获取准确的结果。此外,我们还可以简化显示的图像,降低对触摸交互的需求,同时还提供适合远距离观看的超大图像。
这将提供清晰的视觉内容,使得消费者在与智能音箱交互时可获取更愉快的体验。
凭借这种新增的显示功能,智能音箱便可以在客厅中让位于智能条形音箱,从而专注于客厅以外的区域。智能音箱可提供小型个人显示屏,从集成式 LCD 屏幕到大型超短距高清投影(使用 TI DLP? 技术在任意表面上创建大型显示屏)。在高流量区域,如厨房或起居室附近的智能设备则需要更加美观且不受干扰。增加一个平板电脑大小或更大的平板显示器并不总是符合这些标准。在用户通过智能音箱获取信息,如天气、烹饪、交通等以及对匿名声音做出表情时,投影显示技术可以提供更具互动性的体验。由此,智能音箱在家庭中的作用和重要性便将不断变化和发展,从而为设计师带来了新趋势和让其设计与众不同机会。