首页
论坛
博客
大讲堂
人才网
直播
资讯
技术文章
频道
登录
注册
x
震惊!FPGA运算单元可支持高算力浮点
2020-03-05 08:45:46
Achronix
点击关注->
创芯网公众号
,后台告知EETOP论坛用户名,奖励200信元
随着机器学习(Machine Learning)领域越来越多地使用现场可编程门阵列(
FPGA
)来进行推理(inference)加速,而传统
FPGA
只支持定点运算的瓶颈越发凸显。
Achronix为了解决这一大困境,创新地设计了机器学习
处理器
(MLP)单元,不仅支持浮点的乘加运算,还可以支持对多种定浮点数格式进行拆分。
MLP全称Machine Learning Processing单元,是由一组至多32个乘法器的阵列,以及一个加法树、累加器、还有四舍五入rounding/饱和saturation/归一化normalize功能块。同时还包括2个缓存,分别是一个BRAM72k和LRAM2k,用于独立或结合乘法器使用。MLP支持定点模式和浮点模式,对应下面图1和图2。
图1定点模式下的MLP框图
图2浮点模式下的MLP框图
考虑到运算能耗和准确度的折衷,目前机器学习引擎中最常使用的运算格式是FP16和INT8,而Tensor Flow支持的BF16则是通过降低精度,来获得更大数值空间。下面的表1是MLP支持的最大位宽的浮点格式,表2说明了各自的取值范围。
表1MLP支持的最大位宽的浮点格式
表2不同运算格式的取值范围
而且这似乎也成为未来的一种趋势。目前已经有不少研究表明,更小位宽的浮点或整型可以在保证正确率的同时,还可以减少大量的计算量。因此,为了顺应这一潮流,MLP还支持将大位宽乘法单元拆分成多个小位宽乘法,包括整数和浮点数。详见下表3。
值得注意的是,这里的bfloat16即Brain Float格式,而block float为块浮点算法,即当应用Block Float16及更低位宽块浮点格式时,指数位宽不变,小数位缩减到了16bit以内,因此浮点加法位宽变小,并且不需要使用浮点乘法单元,而是整数乘法和加法树即可,MLP的架构可以使这些格式下的算力倍增。
表3是Speedster7t系列1500器件所支持的典型格式下的算力对比,可以看到,单片
FPGA
的浮点算力最高可达到123TOPS。
表3Achronix的Speedster7t系列1500器件支持的典型格式的算力对比
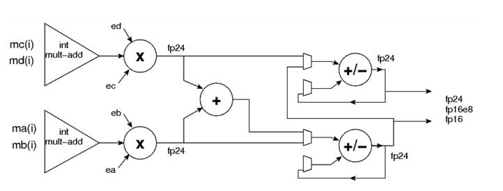
下图3是MLP中FP24/FP16乘加单元的简化结构图,即一个MLP支持FP24/FP16的A*B+C*D,或者A*B,C*D。
图3MLP中FP24/FP16乘加单元的简化结构图
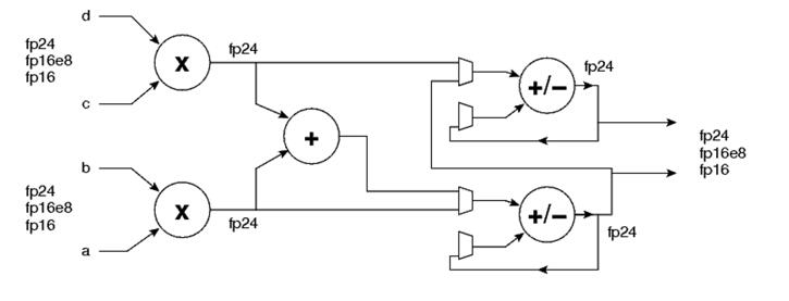
而以下的图4则是块浮点乘加单元结构。
图 4块浮点乘加单元结构
关键词:
FPGA
EETOP 官方微信
创芯大讲堂 在线教育
半导体创芯网 快讯
相关文章
上一篇:
中科亿海微探路自主FPGA可控芯片:未来
下一篇:
Xilinx推出业界首款“一体化 SmartNIC
全部评论
最新资讯
英飞凌推出业界领先的高精度无芯磁电流传感
UC伯克利华裔博士被逮捕!
高通重磅收购!
Qorvo荣获荣耀“质量管理金牌奖”
Spacechips 推动创新型 AI 赋能卫星应用发展
FRDM i.MX 9平台选型指南:FRDM i.MX 9
Jim Keller AI芯片公司大裁员
英特尔:将重铸荣光!
泰克与CN Rood:支持未来工程师,助力未来
GPU定位实锤!英伟达:这不是后门!
最热资讯
XILINX 推出 ISE 8.2i——面向新型 65N
上海复旦微电子28nm亿万门级FMP100T8型FPGA
英特尔首款支持硬核PCIe Gen4 及超路径互
航天科工304所开展国内首批可编程逻辑器件
赛灵思推出业界首个90nm非易失性FPGA解决方案
异构集成的三个层次
Xilinx 8K与AV over IP解决方案亮相ISE 2018
20纳米宇航级FPGA,世界首款!可以在轨重配
纵向创新与横向整合引领FPGA新变革
Achronix收购FPGA网络解决方案领导者Accola